Nov 14 2024
/
Focus Scientifico: Riflettanza solare, tra colorimetria e product comfort assessment
La misura della riflettanza diffusa
Quando un corpo viene esposto alle radiazioni elettromagnetiche, compresa la luce visibile, esso mostra specifiche proprietà di riflessione, assorbimento e trasmissione di tali radiazioni.
La riflettanza (ρ) rappresenta la capacità di un oggetto di riflettere la luce ricevuta e viene espressa come un valore percentuale privo di unità di misura. La somma dei valori di riflettanza (ρ), trasmittanza (τ) e assorbanza (α) è sempre pari a 1, poiché l’energia totale che colpisce un corpo si suddivide tra queste tre componenti. Tale relazione deriva direttamente dal principio di conservazione dell’energia: una parte della luce incidente è riflessa, un’altra trasmessa e la restante assorbita.
La riflettanza può essere calcolata attraverso la formula: r = Fr / F0, dove F0 è il flusso luminoso che incide sull’oggetto e Fr è il flusso luminoso riflesso.
Esistono due modelli teorici per descrivere la riflessione della luce: il modello di riflessione perfettamente diffondente, noto anche come Lambertiano, e il modello di riflessione perfettamente speculare. Questi due modelli rappresentano situazioni limite: il primo prevede che la luce si diffonda uniformemente in tutte le direzioni dopo l’impatto, come se la superficie diventasse una fonte di luce secondaria distribuita sfericamente. Questo comportamento è tipico di materiali opachi e ruvidi. Al contrario, il modello di riflessione perfettamente speculare descrive una riflessione ordinata, in cui la luce è riflessa simmetricamente rispetto alla normale alla superficie, come avviene su superfici lucide o specchianti.
La spettrofotometria di riflettanza è la tecnica analitica che permette di misurare l’intensità di radiazione riflessa per ogni lunghezza d’onda della luce visibile e in piccoli intervalli di lunghezze d’onda ad essa contigui nel vicino infrarosso, fino a lunghezze d’onda di circa 1000/1100 nm.
È da notare come la radiazione ricadente nell’intervallo della luce visibile, cioè quella responsabile della colorazione della materia, abbia una energia maggiore rispetto a quella della regione dell’infrarosso. Essa, però, è più soggetta a fenomeni di riflessione e di scattering da parte dei gas atmosferici e delle particelle di polvere rispetto agli infrarossi.
Dal canto loro, le radiazioni infrarosse, incolori poiché non percepibili dall’occhio umano, avendo sia una maggiore capacità penetrante nella materia sia, soprattutto, la capacità di innescare moti vibrazionali delle molecole, sono quelle responsabili del riscaldamento dei materiali.
Lo spettrofotometro di riflettanza trova, ad esempio, applicazione nella misura del colore (colorimetria): a partire dalla curva di riflettanza è infatti possibile ricavare valori univoci con cui definire il colore della superficie di materiale interessata, e quindi di fornire un dato oggettivo di documentazione del colore di manufatti di diverso tipo. Essa permette, quindi, di condurre anche indagini su materiali sottoposti a trattamenti che possano indurre modificazioni cromatiche per misurarne l’entità e monitorarne l’evoluzione.
La misura della riflettanza della radiazione elettromagnetica con lunghezze d’onda ricadenti nel vicino infrarosso, poi, permette la rilevazione di un’altra caratteristica dei materiali, quella, cioè, di assorbire o riflettere le radiazioni che ne possono provocare il riscaldamento.
Il valore della riflettanza di un oggetto dipende in gran parte dal colore e dalle caratteristiche della sua superficie. Superfici scure tendono ad avere valori di riflettanza prossimi a 0, mentre quelle chiare possono raggiungere valori tra 0,7 e 0,85. Una finitura più ruvida della superficie, inoltre, porta tendenzialmente ad ottenere un valore maggiore della riflettanza.
Per ottenere risultati standardizzati e ripetibili le misure di riflettanza vengono effettuate con un angolo di incidenza di 8°, scelto come compromesso tra l’osservazione di riflessione diffusa e la riduzione di riflessi speculari indesiderati, che potrebbero influenzare la misurazione.
Numerose norme a livello internazionale adottano proprio misure con incidenza ad 8° per ottenere un valore che sia rappresentativo del comportamento della luce sulla maggior parte delle superfici e che è più vicino a quello che si verifica nella pratica reale.
Il risultato di una misura spettrofotometrica di riflettanza diffusa è una curva che rappresenta la percentuale di riflettanza in funzione della lunghezza d’onda ed è caratteristica delle proprietà ottiche della superficie indagata. La tecnica è puntuale, non distruttiva e applicabile in situ.
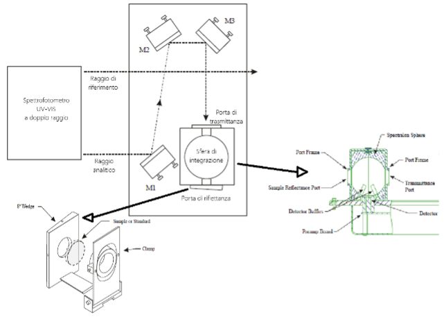
La calibrazione dello spettrofotometro nel campo di misura tra lo 0% ed il 100% di riflettanza viene effettuata misurando la radiazione ottenuta con sorgente luminosa spenta, otturatore chiuso e nessuna luce che raggiunge il rilevatore, che rappresenta una situazione di riflettanza 0, e la misurazione su uno standard di nastro bianco di teflon, il quale produce quindi uno spettro di riflettanza pari al 100%.
Misure della riflettanza della superficie
Nell’ambito delle norme tecniche internazionali, la norma UNI EN ISO 17502:2013 definisce un metodo per la determinazione delle proprietà di riflettanza della superficie di cuoi, anche colorati, per le radiazioni visibili e vicino infrarosso. Essa prevede la misurazione della riflettanza percentuale, alla lunghezza d’onda convenzionale di 900 nm, con uno spettrofotometro dotato di una sfera di integrazione analoga a quella descritta in precedenza. Il cuoio sottoposto a misura viene definito riflettente la radiazione solare (solare reflective leather) se la riflettanza percentuale a 900 nm risulta superiore al 55%.
Limitando la valutazione al campo del visibile, uno spettro di riflettanza mette in evidenza le caratteristiche cromatiche delle superfici dei materiali, come illustrato nella figura seguente relativa a diversi campioni di cuoio con rifinizioni di colore differente.
I cuoi con colorazione bianca, invece, riflettendo quasi tutta la luce di ogni lunghezza d’onda che incide sulla superficie, presentano una riflettanza costante e di valore elevato, come illustrato dalla figura seguente.
Nello stesso campione, la maggiore scabrezza della superficie sul lato carne rispetto al lato fiore determina una piccola variazione sulla riflettanza, verosimilmente dovuto ad un maggior fattore di scattering ed una ancora minore componente di riflessione diretta.
I campioni di cuoio colorati in nero con coloranti azoici tradizionali, di contro, presentano, come si osserva per i campioni A e B della figura seguente, una riflettanza praticamente prossima allo zero su tutto il range di lunghezze d‘onda.
È da notare che la differenza di lucentezza della superficie dei campioni A e B, uno opaco e l’altro lucido, non ne influenza la riflettanza.
I cuoi identificati con C e D nella figura precedente utilizzano rifinizioni di colore nero, come si evince dal totale assorbimento nel campo del visibile, ma che inglobano pigmenti capaci di riflettere le radiazioni del campo infrarosso, minimizzando, quindi, l’assorbimento dell’energia trasportata da tali radiazioni.
Questa caratteristica, evidentemente, incide sulla risposta termica dei materiali alla radiazione solare, influenzando tutte le caratteristiche prestazionali da essa dipendenti e determinandone il comfort termico.
Commercialmente sono disponibili diversi pigmenti che possono essere impiegati per impartire ai manufatti le caratteristiche di alta riflettanza anche nella regione dell’infrarosso ed alcuni di essi possono essere di interesse anche per il settore conciario.
In letteratura tecnica sono riscontrabili diverse tipologie di pigmenti con le caratteristiche in questione, sintetizzate nella tabella seguente.
| Tipologia | Composizione chimica | Caratteristiche principali | Applicazioni |
| Pigmenti neri “Cool Black” | Si tratta di una forma modificata di nerofumo (carbon black) con un’elevata purezza e una struttura superficiale particolare. I pigmenti cool black sono progettati per avere un migliore riflesso della radiazione IR rispetto ai tradizionali pigmenti di nerofumo | Sono costituiti da particelle di carbonio amorfo con una struttura superficiale modificata per aumentare la riflettanza IR.
Sono in genere trattati per ridurre la loro capacità di assorbimento della radiazione termica pur mantenendo l’aspetto nero. Rispetto al carbon black convenzionale, mostrano una riflessione migliorata nell’infrarosso vicino (NIR).
|
Sono ampiamente utilizzati per superfici nere che richiedono controllo termico, come rivestimenti per veicoli e tessuti tecnici |
| Pigmenti a base di ossidi di ferro modificati | Questi pigmenti sono basati su ossidi di ferro, come la magnetite (Fe₃O₄), ma con modifiche alla struttura cristallina e additivi per migliorare la riflettanza IR | Offrono un colore scuro e possono presentare un’elevata stabilità chimica e termica.
Sono spesso dotati di un rivestimento superficiale o di una modifica interna per aumentare la riflettanza nell’infrarosso senza compromettere il colore scuro. Rispetto ai pigmenti neri tradizionali, hanno una maggiore capacità di riflettere la luce infrarossa riducendo il calore accumulato.
|
Questi pigmenti trovano impiego nelle vernici per esterni, materiali per coperture, e in rivestimenti termoriflettenti per il cuoio |
| Pigmenti ceramici scuri riflettenti all’infrarosso | Sono basati su ossidi ceramici complessi, come zirconati, ossidi di cobalto e ferro combinati con altri metalli | Questi pigmenti sono caratterizzati da una struttura cristallina stabile, resistente al calore e alle radiazioni UV.
Offrono elevata resistenza alla degradazione chimica e meccanica. Sono progettati per riflettere selettivamente la radiazione infrarossa, mantenendo un colore scuro visibile (nero o marrone scuro). |
Utilizzati principalmente in rivestimenti durevoli e di alta qualità, come materiali da costruzione, rivestimenti per edifici, e prodotti in cuoio |
| Pigmenti a base di ossido di cromo modificato | Derivano dall’ossido di cromo (Cr₂O₃) e possono includere modifiche per aumentare la riflettanza IR.
|
Offrono elevata stabilità termica e chimica.
Possono essere utilizzati per ottenere colori scuri con proprietà riflettenti nell’infrarosso |
Utilizzati per materiali edili, rivestimenti decorativi e applicazioni che richiedono un controllo termico.
|
a cura del Dr. Leopoldo Esposito
Pubblicato il: 14 Nov 2024 alle 10:28
Related Posts
Pelli, il ruolo della Stazione Sperimentale per le imprese
Salatino: “Innovazione e sinergia”. Imperiale: “Riorganizzate le linee di ricerca” Il ruolo della Stazione Sperimentale…
Solofra, il distretto conciario riparte da depurazione e sostenibilità ambientale
Depurazione e sostenibilità ambientale. Parte da qui il progetto di rilancio del distretto conciario solofrano,…
Export: primato mondiale per la pelle italiana
Primato mondiale del Made in Italy: tra le prime 10 categorie di prodotto su 228,…
Lusso: il gruppo Louis Vuitton lancia La Maison des Startups per 50 talenti
Un nuovo programma di accelerazione dedicato alle start up. Questo è La Maison des Startups, il progetto…




